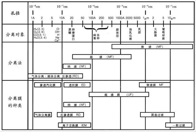
9、反渗透(RO)膜
作用
依靠对源水施加压力,使源水中水分子透过RO膜,而把源水中的各种杂质,如无机盐、重金属离子、细菌、病毒、农药、三氯甲烷等有害物质统统截留下来,并通过连续排放的浓水将这些有害物质及盐分排出。进而得到十分洁净的饮用水。它的孔径只有0.0001微米。它对水中粒径最小的无机盐离子的去除率在90-96%以上。对细菌、病毒等有害物的去除率在99.99以上。
几种膜技术的比较





党工建与中心业务同频共振、同向发力, 为社会组织高质量发展增力赋能
党工建与中心业务同频共振、同向发力,为社会组织高质量发展增力赋能7月12日···
2024爱国卫生月--共建健康城镇,共享健康生活
共建健康城镇,共享健康生活今年4月是第36个爱国卫生运动月。为更好开展第3···
迎“七一”铸“红魂”共建“红色净界”
迎“七一”铸“红魂”共建“红色净界”6月23日,为迎接党的“七一”生日,更···